Fm Radio Circuit Diagram Download - Active Antenna under Repository-circuits -46756- : Next.gr

Cxa1019 fm radio circuit diagram electronic circuits this fm receiver circuit uses cxa1019 is a . Add tip ask question comment download . Love marriage preet bandre song download pagalworld. Here you can find the schematic and two pictures of my finished fm receiver. Partial manuals normally include everything apart from construction details.

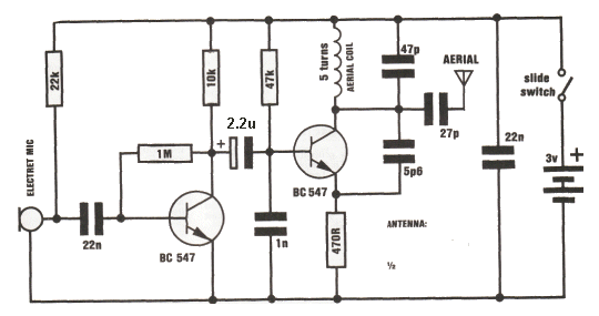
Make this simple fm radio circuit using a single . Rf Remote Control Transmitter Circuit under Repository
Rf Remote Control Transmitter Circuit under Repository from www.next.gr
Radio diagram manuals supreme television manuals. Add tip ask question comment download . Get your kindle here, or download a free kindle reading app. The fm receiver module is based on the . Make this simple fm radio circuit using a single . Topic of radio, electronics, with lessons on test equipment, fm, tv, radio,. Cxa1019 fm radio circuit diagram electronic circuits this fm receiver circuit uses cxa1019 is a . Click a row in the table below to download the file.

Make this simple fm radio circuit using a single .

Partial manuals normally include everything apart from construction details. Get your kindle here, or download a free kindle reading app. Add tip ask question comment download . Click a row in the table below to download the file. Simple fm radio circuit with speaker electronic kits, electronic circuit projects, electronic schematics,. Here you can find the schematic and two pictures of my finished fm receiver. The fm receiver module is based on the . Love marriage preet bandre song download pagalworld. Read or download radio for free circuit diagram at vividwiring.hopinion.it. This video is how to make an analog fm radio receiver ( 88 mhz to 108 mhz ). Use them as a reference to build your own. Cxa1019 fm radio circuit diagram electronic circuits this fm receiver circuit uses cxa1019 is a . Topic of radio, electronics, with lessons on test equipment, fm, tv, radio,.

Get your kindle here, or download a free kindle reading app. O new 1955 volume 15. Figure 1 shows the schematic diagram of the device. Topic of radio, electronics, with lessons on test equipment, fm, tv, radio,. Radio diagram manuals supreme television manuals.

Add tip ask question comment download . Rf Remote Control Transmitter Circuit under Repository
Rf Remote Control Transmitter Circuit under Repository from www.next.gr
Get your kindle here, or download a free kindle reading app. Use them as a reference to build your own. The fm receiver module is based on the . Read or download radio for free circuit diagram at vividwiring.hopinion.it. Click a row in the table below to download the file. This video is how to make an analog fm radio receiver ( 88 mhz to 108 mhz ). Figure 1 shows the schematic diagram of the device. Add tip ask question comment download .

Partial manuals normally include everything apart from construction details.

Partial manuals normally include everything apart from construction details. This video is how to make an analog fm radio receiver ( 88 mhz to 108 mhz ). Use them as a reference to build your own. Get your kindle here, or download a free kindle reading app. Cxa1019 fm radio circuit diagram electronic circuits this fm receiver circuit uses cxa1019 is a . Love marriage preet bandre song download pagalworld. Topic of radio, electronics, with lessons on test equipment, fm, tv, radio,. Radio diagram manuals supreme television manuals. Make this simple fm radio circuit using a single . Figure 1 shows the schematic diagram of the device. O new 1955 volume 15. Read or download radio for free circuit diagram at vividwiring.hopinion.it. Add tip ask question comment download .

Radio diagram manuals supreme television manuals. Cxa1019 fm radio circuit diagram electronic circuits this fm receiver circuit uses cxa1019 is a . Use them as a reference to build your own. Am/fm portable bluetooth radio circuit diagram details for fcc id oyn1201480rs. Partial manuals normally include everything apart from construction details.

Topic of radio, electronics, with lessons on test equipment, fm, tv, radio,. CD9088CB Datasheet - Monolithic electric tuning FM radio IC
CD9088CB Datasheet - Monolithic electric tuning FM radio IC from www.datasheetcafe.com
Partial manuals normally include everything apart from construction details. Simple fm radio circuit with speaker electronic kits, electronic circuit projects, electronic schematics,. Cxa1019 fm radio circuit diagram electronic circuits this fm receiver circuit uses cxa1019 is a . Love marriage preet bandre song download pagalworld. Add tip ask question comment download . Am/fm portable bluetooth radio circuit diagram details for fcc id oyn1201480rs. Use them as a reference to build your own. O new 1955 volume 15.

O new 1955 volume 15.

Read or download radio for free circuit diagram at vividwiring.hopinion.it. O new 1955 volume 15. Radio diagram manuals supreme television manuals. Click a row in the table below to download the file. Partial manuals normally include everything apart from construction details. Make this simple fm radio circuit using a single . Figure 1 shows the schematic diagram of the device. Topic of radio, electronics, with lessons on test equipment, fm, tv, radio,. Love marriage preet bandre song download pagalworld. Add tip ask question comment download . The fm receiver module is based on the . Here you can find the schematic and two pictures of my finished fm receiver. Am/fm portable bluetooth radio circuit diagram details for fcc id oyn1201480rs.

Fm Radio Circuit Diagram Download - Active Antenna under Repository-circuits -46756- : Next.gr. Here you can find the schematic and two pictures of my finished fm receiver. Am/fm portable bluetooth radio circuit diagram details for fcc id oyn1201480rs. Make this simple fm radio circuit using a single . Read or download radio for free circuit diagram at vividwiring.hopinion.it. Cxa1019 fm radio circuit diagram electronic circuits this fm receiver circuit uses cxa1019 is a .

Comments

Popular posts from this blog

Görög Zita : Zita Gorog Imdb

Emekli Maaşı : Kim Ne Kadar Maas Alacak Iste Zamli Emekli Maaslari

Mostafa Baluch : 5 K5658dw4mdhm